功率因数表原理,三相功率因数表接线图详细图解
-
来源:金环宇电缆发布日期:2019-10-11 09:32
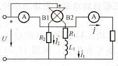
功率因数表又称相位表,按测量机构可分为电动系、铁磁电动系和电磁系三类。根据测量相数又有单相和三相。现以电动系功率因数表为例分析其工作原理,如图所示。图中A为电流线圈,与负载串联。B1,B2为电压线圈与电源并联。其中电压线圈B2串接一只高电阻R2,B1串联一电感线圈。

电动系功率因素表结构原理
在B2支路上为纯电阻电路,电流与电压同相位,B1支路上为纯电感电路(忽略R1的作用),电流滞后电压90°。当接通电压后,通过电流线圈的电流产生磁场,磁场强弱与电流成正比,此时两电压线圈B1,B2中电流,根据载流导体在磁场中受力的原理,将产生转动力矩M1、M2,由于电压线圈B1和B2绕向相反,作用在仪表测量机构上的力矩一个为转动力矩,另一个为反作用力矩,当两者平衡时,即停留在一定位置上,只要使线圈和机械角度满足一定的关系就可使仪表的指针偏转角不随负载电流和电压的大小而变化,只决定于负载电路中电压与电流的相位角,从而指示出电路中的功率因数。
三相功率因数表接线图详细图解
三相功率因数表主要应用于低压交流三相电力系统之中,主要作功率因数测量之用,特别是在感应动力用电较多的场合,因为功率因数的高低直接关系着用电效率与能源消耗,不过本文讨论的是功率因数表本身的接线方法与它的应用无关。
图1所示为三相功率因数表表后接线柱情况及接线方法示意。

三个电压接线柱分别标有UA、UB、UC、两个电流接线柱务标有IA,意思是功率因数表所取电流应与左边电压接线柱所接电压同相。并且与负荷电流同方向的电流互感器二次电流应以标有*号的接线柱流入,从另一个接线柱流出。左边电压接线柱也标有*号,也是说明此电压应与电流同相。下面通过一个实例来具体介绍一下功率因数表的正确接线方法。
图2是一个低压母线示意简图。准备在电容柜上安装一只三相功率因数表,由于安装位置有限,为功率因数表取电流的电流互感器安装在中相。
由于电流互感器安装在中相(绿相),则电压接线柱左边那个应接绿色相电压。然后以绿色相为UA,用相序表测定黄、绿、红三相电压的相序,结果是绿一黄一红为正相序。图2中括号所标的UA、UB、UC即为相序表测定的结果.则在中间的电压接线柱应接黄相电压.右边的电压接线应接红色相电压。电压线接好后,再看电流线怎样连接,由于电流互感器的极性标注法是减极性的,即一次电流从L1端流人互感器,则互感器的二次电流从K1端流出,所以就应把电流互感器的K1端与功率因数表的标有*号的电流接线往相连,K2端与另一电流接线柱相连。这样就相当于负荷电流流入了标有*号的电流接线柱(如图2中箭头方向所示)。

虽然功率因数表装在电容柜上,但它反映的是低压总母线上的功率因数,故电流互感器应安装在总母线上。
- 上一篇:电缆护套管的性能以及特点
- 下一篇:1MW是多少KW,1兆瓦等于多少千瓦

